
U0854門鎖電磁鐵有多種結構,被廣泛用于自動化門鎖、機械門鎖、信報箱和電控箱等產品上。
1,門鎖電磁鐵簡圖:

2,用于儲物柜上門鎖電磁鐵圖片(尺寸和0854尺寸一致)



門鎖電磁鐵U0854的詳細介紹如下:
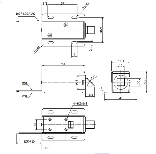
一:門鎖電磁鐵詳細尺寸圖:

圖紙有產品的詳細尺寸,其中帶鎖舌部位和產品的行程是可以根據客戶的要求定制。
二、U0854門鎖電磁鐵使用過程中行程和力量曲線圖:

圖解:1,上圖描述的是推拉式門鎖電磁鐵的行程和力量曲線圖
三、電磁鐵使用過程中時間和溫升圖紙:

備注:磁心科技大批量生產各種型號的門鎖電磁鐵,針對:家用電器、自動門鎖、信報箱、儲物柜、機械設備等門鎖上的控制系統有豐富的經驗,如果以上圖紙滿足不了您的需要請您致電我們
王生:13711885745 我們會根據您的要求給您設計制造您滿意的產品。
磁心科技---用心服務!